| Autor | Thema |
|---|---|
|
Brzelinski
Überflieger Registriert seit: Okt 2000 Wohnort: Verein: Beiträge: 1616 Status: Offline |
Beitrag 62264
[
Könnt ihr mich auch an euren Erkenntnissen beteiligen? Ich verstehe seist geraumer Zeit gar nichts mehr.
|
|
franksa
Drechsel-Lehrling Registriert seit: Mai 2002 Wohnort: Berlin Verein: DERA Beiträge: 96 Status: Offline |
Hi ,
??????? Ist doch deutsch Was verstehst Du denn nicht ? Viele Gruesse, Frank |
|
Brzelinski
Überflieger Registriert seit: Okt 2000 Wohnort: Verein: Beiträge: 1616 Status: Offline |
Beitrag 62267
[
Rein gar nichts.
|
|
Brzelinski
Überflieger Registriert seit: Okt 2000 Wohnort: Verein: Beiträge: 1616 Status: Offline |
Beitrag 62268
[
Was soll z.B. Stefan´s Schaltbild?
|
|
franksa
Drechsel-Lehrling Registriert seit: Mai 2002 Wohnort: Berlin Verein: DERA Beiträge: 96 Status: Offline |
Beitrag 62269
[
hmmm,
Neil braucht eine Stromquelle. Eine Stromquelle ist so ein Ding wo ein const. Strom raus kommt. Wird der Widerstand zu gross, wird die max. Spannung der Stromquelle erreicht werden. Schliesst man die Stromquelle kurz, wird nicht mehr Strom heraus kommen. Nun hat man aber leider (bis auf Experten) Spannungsquellen herumzuliegen. Jede Batterie oder jeder Akku ist eine Spannungsquelle. Daraus muss man nun eine Stromquelle machen. Das geht z.B. so wie ich es zum Schluss beschrieben habe. Oder was das jetzt zu simpel ? Frank |
|
Brzelinski
Überflieger Registriert seit: Okt 2000 Wohnort: Verein: Beiträge: 1616 Status: Offline |
Beitrag 62270
[
ja
|
|
Stefan Wimmer
Grand Master of Rocketry
Registriert seit: Aug 2000 Wohnort: Berlin Verein: Deutsche Experimental Raketen Arbeitsgruppe (DERA) Beiträge: 2398 Status: Offline |
Beitrag 62271
[
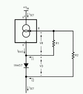
Zitat: ...viel kann ich dazu nicht sagen - ich habe das Teil noch nicht eingesetzt. Wenn man sich aber das Bildchen aus dem Datenblatt ansieht, scheit es recht einfach zu sein, damit eine temperaturkompensierte Stromquelle zu bauen: Folgende Datei wurde angehängt: It's the Government - it doesn't have to make sense! (B. Kaplow in r.m.r) |
|
franksa
Drechsel-Lehrling Registriert seit: Mai 2002 Wohnort: Berlin Verein: DERA Beiträge: 96 Status: Offline |
Beitrag 62272
[
Hi,
Frage Stefan doch mal. Das Innenleben ist fuer nicht Elektronik-Menschen nicht so interressant. Es sei den, man bekommt das Gleiche etwas preiswerter. Nebenbei : MOSFET != JFET. Viele Gruesse, Frank |
|
Brzelinski
Überflieger Registriert seit: Okt 2000 Wohnort: Verein: Beiträge: 1616 Status: Offline |
Beitrag 62273
[
Danke Stefan.
|
|
Stefan Wimmer
Grand Master of Rocketry
Registriert seit: Aug 2000 Wohnort: Berlin Verein: Deutsche Experimental Raketen Arbeitsgruppe (DERA) Beiträge: 2398 Status: Offline |
Beitrag 62274
[
...und wozu braucht man eine Konstantstromquelle?
Nun, man kann damit z.B. NiCd Akkus laden (die mögen am liebsten Konstantstrom - übrigens im Gegegnsatz zu Blei(Gel)Akkus welche lieber mit Konstanter Spannung geladen werden wollen). Hey, gute Idee - ich werde damit mal einen Lader für meine Akkupacks berechnen und hier ins Forum stellen. Ein anderer Einsatzfall von Konstantstromquellen ist die Linearisierung der Lade- oder Entladekurve eines Kondensators. Wie z.B. in einem Physikbuch zu finden ist, gilt hier folgender Zusammenhang zwischen Strom, Spannung und Zeit: I = C * dU/dt Wenn man also I konstant hält,bekommt man ein konstantes dU/dt und das ergibt eine Gerade (mit der Steigung I/C). Sowas braucht man für Zeitgeber (Analogtimer), Pulsweitenmodulatoren und viele andere elektronische Gerätschaften... Man könnte damit auch eine LED unabhängig von der angelegten Spannung (natürlich unter Beachtung diverser bauteilebedingter Randbedingungen) mit einem konstanten Strom speisen. Mit diesem Bauteil (LM134) würde dies so im Spannungsbereich von 3,5V bis 40V klappen. It's the Government - it doesn't have to make sense! (B. Kaplow in r.m.r) |





Ist doch deutsch